LY-009
Tolerances: Tolerance
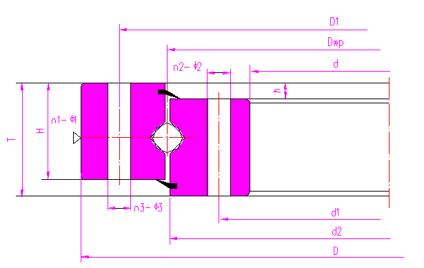
Dimensions
| d | 2110 | mm |
| D | 2450 | mm |
| H | 120 | mm |
| T | 120 | mm |
| h | 0 | mm |
| Dwp | 2280 | mm |
Calcutation data
Mass
| Mass bearing | 992 | kg |
